歡迎來到艾思捷傳動技術(上海)有限公司官方網站!

艾思捷傳動技術(上海)有限公司

讓傳動更高效、更可靠專注12#錫青銅蝸輪減速機研發生產

技術熱線181-3611-8455
掃一掃加微信掃一掃加微信

常見問題

您的當前位置:首頁 > 新聞資訊 > 常見問題

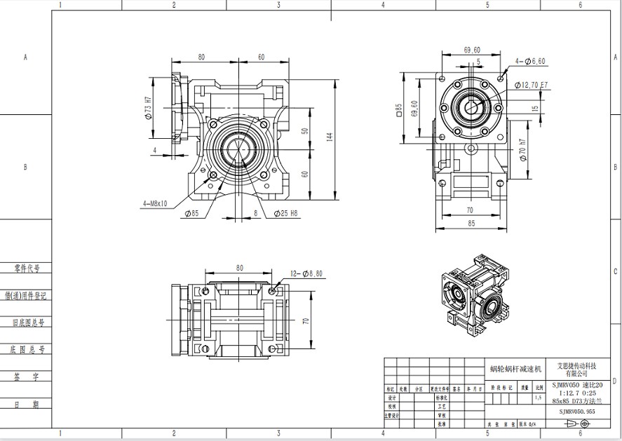
蝸輪減速機RV050速比20比型號安裝尺寸圖紙

返回列表 來源:艾思捷 查看手機網址
掃一掃!蝸輪減速機RV050速比20比型號安裝尺寸圖紙掃一掃!
瀏覽:- 發布日期:2023-07-28 10:48:04【

    蝸輪減速機作為現在市場上很多設備都會使用到的一款驅動動力設備,具有產品多樣化、多功能化的特點,其自帶自鎖功能為很多設備廠家所選用。日常所用型號也較多,可按設備要求所選型。

  以下為客戶選用的RV050速比20比的型號的安裝尺寸圖紙,大家在平常的選型過程中可借鑒使用。

蝸輪減速機RV050 速比20比型號安裝尺寸圖紙.jpg

艾思捷中國嚴格遵循意大利SSJ的質量標準,中國工廠采用高端制造工藝和測試平臺,確保了質量標準的一致性。生產廠址在浙江德清,歡迎各合作伙伴到廠考察。廠家咨詢電話:尹經理 13262846677.