艾思捷

服務熱線181-3611-8455

首頁 技術資訊

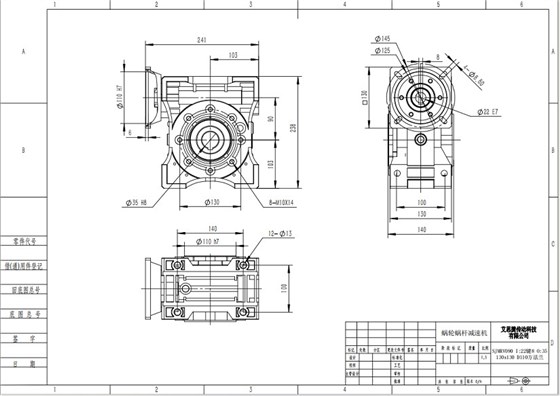
蝸輪減速機SJMRV090-130X130 D110 22孔鍵8尺寸圖紙艾思捷 2024.07.03

蝸輪減速機作為一種精密的機械傳動裝置,在國民經濟及國防工業的各個領域,減速機產品都有這廣泛的應用。例如食品行業、包裝行業、自動化行業、傳輸行業、太陽能行業等等。蝸輪減速機也型號多樣可供選擇,具體實際情況具體選型。

例如以下,客戶用在包裝行業設備上的蝸輪減速機型號為SJMRV090。技術所出設計圖紙如下:

SJMRV090-130X130 D110 22孔鍵8.jpg

艾思捷歡迎廣大客戶來電咨詢,蝸輪減速機支持非標定制,定制熱線:盛工 18116258006.