歡迎來到艾思捷傳動技術(上海)有限公司官方網站!

艾思捷傳動技術(上海)有限公司

讓傳動更高效、更可靠專注12#錫青銅蝸輪減速機研發生產

技術熱線181-3611-8455
掃一掃加微信掃一掃加微信

耐高低溫蝸輪蝸桿減速機

您的當前位置:首頁 > 艾思捷產品中心 > 按輸入電機分 > 耐高低溫蝸輪蝸桿減速機

  • 耐高低溫蝸輪蝸桿減速機
1/1

上一張

下一張

耐高低溫蝸輪蝸桿減速機

介紹:耐高低溫蝸輪蝸桿減速機,相比普通RV減速機系列來說,耐高低溫是其特有的性能。配套的是高溫或低溫電機,安裝更為方便,互換性更好。電機配置功率0.25KW、0.37KW、0.55KW、0.75KW等,也可以根據客戶的需求進行多型號...
咨詢熱線 咨詢熱線181-3611-8455

產品介紹

耐高低溫蝸輪蝸桿減速機,相比普通RV減速機系列來說,耐高低溫是其特有的性能。配套的是高溫或低溫電機,安裝更為方便,互換性更好。電機配置功率0.25KW、0.37KW、0.55KW、0.75KW等,也可以根據客戶的需求進行多型號法蘭匹配,保證減速機能平穩運行。

耐高低溫蝸輪蝸桿減速機

性能特點

模塊化法蘭及其他組件選擇,萬能安裝配置;

速比范圍廣泛,比通用機型更多速比選擇;

 輸入端配耐高低溫電機;

機身結構緊致小巧,便于多環境安裝;

永久合成油長壽命潤滑(S1潤滑油,粘度320;B2潤滑脂,粘度220);

機身表面噴塑,防腐性好且美觀實用;

輸入輸出端油封密封,保證密封性能;

蝸桿材質20CrMnTi滲碳淬火,硬度HRC58-62,精磨后滲碳層厚度0.25-0.45mm;

蝸輪材質QT450+GCuSn12,耐磨性好

防護等級IP67,可適用于各種室內外使用場景及惡劣工況

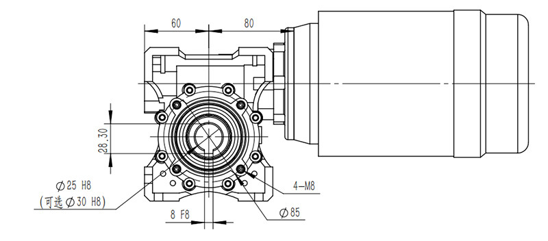
產品參數

耐高低溫蝸輪蝸桿減速機

耐高低溫蝸輪蝸桿減速機

型號 速比 輸入法蘭 電機功率
050 5/7.5/10/12/15/16/20/25
30/40/50/52/60/80/100
71B14 0.25kw、0.37kw、0.55kw
80B14 0.55kw、0.75kw
型號
(Type )
速比
(i )
輸出轉速
(n2/r/min)
輸出扭矩
(Mn2/Nm)
輸出載荷
(Fr2/N )
電機型號
(Motor)
輸入功率
(P1/kw )
電機長度
(/mm)
MRV050 5 280 17 1577 7134 0.55 180
280 23 1577 8024 0.75 205
7.5 187 25 1805 7134 0.55 180
187 34 1805 8024 0.75 205
10 140 22 1987 7124 0.37 180
140 32 1987 7134 0.55 180
140 44 1987 8024 0.75 205
12 117 26 2016 7124 0.37 180
117 33 2016 7134 0.55 205
117 48 2016 8024 0.75 205
15 93 31 2274 7124 0.37 180
93 46 2274 7134 0.55 180
93 63 2274 8024 0.75 205
20 70 27 2503 7114 0.25 180
70 40 2503 7124 0.37 180
70 59 2503 7134 0.55 180
70 81 2503 8024 0.75 205
MRV050 25 56 32 2696 7114 0.25 180
56 48 2696 7124 0.37 180
56 71 2696 7134 0.55 180
30 47 37 2865 7114 0.25 180
47 55 2865 7124 0.37 180
47 81 2865 7134 0.55 180
40 35 33 3153 7114 0.25 180
35 46 3153 7124 0.37 180
35 68 3153 7134 0.55 180
50 28 54 3397 7114 0.25 180
28 72 3397 7124 0.37 180
28 80 3397 7134 0.55 180
52 27 55 3482 7114 0.25 180
27 73 3482 7124 0.37 180
27 82 3482 7134 0.55 180
60 23 60 3610 7114 0.25 180
23 75 3610 7124 0.37 180
23 84 3610 7134 0.55 180
MRV050 80 18 64 3973 7114 0.25 180
18 77 3973 7124 0.37 180
18 89 3973 7134 0.55 180
100 14 68 4280 7114 0.25 180
14 79 4280 7124 0.37 180
14 93 4280 7134 0.55 180

產品展示

耐高低溫蝸輪蝸桿減速機

耐高低溫蝸輪蝸桿減速機

耐高低溫蝸輪蝸桿減速機

我要定制:耐高低溫蝸輪蝸桿減速機

  • *聯系人:
  • *手機:
  • 公司名稱:
  • 郵箱:
  • 電話:
  • 地址:
  • 需求備注:
  • *驗證碼:驗證碼

相關產品相關產品 / Relevant product

RV030蝸輪減速機

RV030蝸輪減速機

功率:0.06-0.25 Kw
速比:5-80
輸出轉數:11-560 r/min
輸出扭矩:1.8-30 Nm
輸出軸徑...

  查看詳情
RV050蝸輪減速機

RV050蝸輪減速機

功率:0.09-1.5 Kw
速比:5-100
輸出轉數:9-560 r/min
輸出扭矩:16-121 Nm
輸出軸徑...

  查看詳情
RV063蝸輪減速機

RV063蝸輪減速機

功率:0.09-1.5 Kw
速比:5-100
輸出轉數:9-560 r/min
輸出扭矩:16-121 Nm
輸出軸徑...

  查看詳情