歡迎來到艾思捷傳動技術(上海)有限公司官方網站!

艾思捷傳動技術(上海)有限公司

讓傳動更高效、更可靠專注12#錫青銅蝸輪減速機研發生產

技術熱線181-3611-8455
掃一掃加微信掃一掃加微信

行業案例

您的當前位置:首頁 > 新聞資訊 > 行業案例

艾思捷---紡織機械專用減速機

返回列表 來源:艾思捷 查看手機網址
掃一掃!艾思捷---紡織機械專用減速機掃一掃!
瀏覽:- 發布日期:2022-08-15 10:13:07【

  俗話說衣、食、住、行是每個人都離不開的一生。紡織業作為中國一個勞動密集程度高的產業,隨著機械化的發展,現在很大的減輕了勞動的壓力,使用了紡織機械設備來節省人工。艾思捷為其提供紡織機械專用減速

  艾思捷設計生產的紡織機械專用減速機為設備提供動力支持,如下所示:

 

艾思捷---紡織機械專用減速機

  

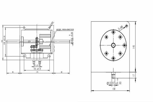
這款紡織機械專用減速機FG035.102步進電機驅動,基本參數為:電機步距:1.8°步距角精度5%,輸出為:2-12,2-10,尺寸圖為以下


艾思捷--紡織機械專用減速機尺寸圖.jpg

 

艾思捷紡織機械專用減速機在實際應用中有以下特點:

1、機械結構緊湊、體積輕巧、小巧高效;

2、步進電機驅動、精確控制;

3、起停、反轉反應迅速;

4、可靠性高、較寬的調速范圍;

5、安裝簡易、靈活輕捷、易于維護維修。

產品實際生產圖片如下:

艾思捷--紡織機械專用減速機.jpg


關于上海艾思捷

  艾思捷傳動技術(上海)有限公司是一家專業的傳動設備生產商,廠家擁有專業的技術團隊,精心致力于高質量的減速機生產和技術開發。主要為設備提供傳動產品以及技術解決方案,上海艾思捷隸屬于意大利SSJ Group的成員公司,意大利SSJ Group在減速機的設計、生產制造和銷售有20多年的豐富經驗,服務的客戶覆蓋歐洲、美洲、非洲、亞洲等,獲得市場的一致好評。

  艾思捷目前主要的產品有SJMRV系列蝸輪減速機、SJGV系列齒輪減速機、SJRT系列太陽能減速機、SJXV系列行星減速機以及洗車機減速機、制冰機減速機、小側隙減速機等行業減速機,產品被廣泛應用于裝備行業、食品行業、洗車行業、包裝行業、傳輸行業、自動化行業、太陽能行業等等,產品深受客戶的歡迎與信賴。廠家技術咨詢電話:陳工 13262846677.