歡迎來到艾思捷傳動技術(上海)有限公司官方網站!

艾思捷傳動技術(上海)有限公司

讓傳動更高效、更可靠專注12#錫青銅蝸輪減速機研發生產

技術熱線181-3611-8455
掃一掃加微信掃一掃加微信

技術資訊

您的當前位置:首頁 > 新聞資訊 > 技術資訊

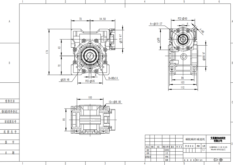
MRV063蝸輪減速機 方法蘭輸入圖紙

返回列表 來源:艾思捷 查看手機網址
掃一掃!MRV063蝸輪減速機 方法蘭輸入圖紙掃一掃!
瀏覽:- 發布日期:2024-03-04 12:39:29【

 艾思捷廠家生產供應標準蝸輪減速機以及非標定制減速機等,標準MRV063蝸輪減速機常用型號MRV063+0.25KW/ MRV063+0.55KW/ MRV063+0.75KW/MRV063+1.1KW/MRV063+1.5KW/ MRV063+02.2KW、輸出軸徑為14mm、19mm、24mm。具體看自身設備的選型情況。

  例如以下:艾思捷MRV063蝸輪減速機 方法蘭輸入尺寸圖紙

MRV063蝸輪減速機 方法蘭輸入圖紙.png


  艾思捷蝸輪減速機生產廠家,可為項目成套定制解決方案,從需求定制到圖紙設計都一對一技術解決。目前你所在的項目是否有遇到減速機傳動解決的問題,可咨詢我司專業技術。

 廠家咨詢電話:盛經理 18116258006.   尹經理 13262846677。