歡迎來到艾思捷傳動技術(上海)有限公司官方網站!

艾思捷傳動技術(上海)有限公司

讓傳動更高效、更可靠專注12#錫青銅蝸輪減速機研發生產

技術熱線181-3611-8455
掃一掃加微信掃一掃加微信

技術資訊

您的當前位置:首頁 > 新聞資訊 > 技術資訊

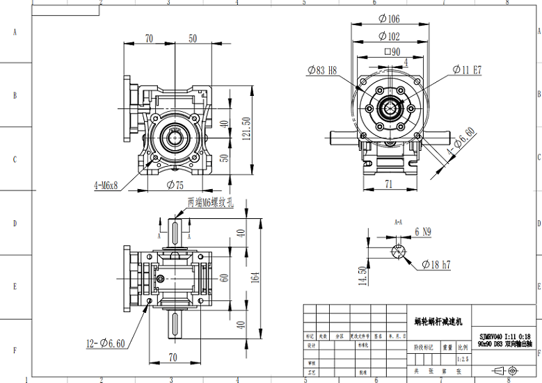
艾思捷SJMRVO40雙向輸出軸減速機

返回列表 來源:艾思捷 查看手機網址
掃一掃!艾思捷SJMRVO40雙向輸出軸減速機掃一掃!
瀏覽:- 發布日期:2024-12-07 02:42:24【

  蝸輪減速機雙向輸出軸,是不是有在找這個款的減速機,這不,圖紙技術就出給我了。作為減速機廠家,很多時候是要按照客戶的具體要求來設計生產的。在標準的減速機基礎之上進行改造。
   例如這款SJMRVO40雙向輸出軸減速機,就是客戶應用在輸送設備上的。采用這款蝸輪減速機,雙向輸出能夠很好的聯接在設備,當電機運行就會帶動減速機的雙軸運行,在使用過程中運行平穩。
   這款SJMRVO40雙向輸出軸減速機外殼采用的是鋁合金材質,安裝方式任意安裝都行。內部蝸輪采用的是耐磨的CuSn12Ni2錫青銅,使用中更耐用。

艾思捷SJMRVO40 雙向輸出軸減速機.png

艾思捷歡迎廣大客戶來電咨詢,

             

              艾思捷SJMRVO40雙向輸出軸減速機 - 定制熱線: 盛工 18116258006