歡迎來到艾思捷傳動技術(上海)有限公司官方網站!

艾思捷傳動技術(上海)有限公司

讓傳動更高效、更可靠專注12#錫青銅蝸輪減速機研發生產

技術熱線181-3611-8455
掃一掃加微信掃一掃加微信

技術資訊

您的當前位置:首頁 > 新聞資訊 > 技術資訊

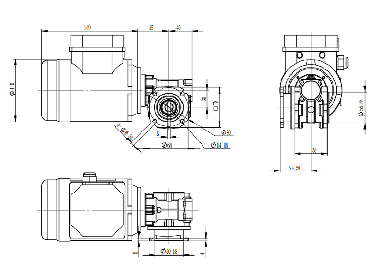
艾思捷蝸輪減速機SJMFV030+0.09KW安裝尺寸圖紙

返回列表 來源:艾思捷 查看手機網址
掃一掃!艾思捷蝸輪減速機SJMFV030+0.09KW安裝尺寸圖紙掃一掃!
瀏覽:- 發布日期:2024-11-13 02:14:03【


  艾思捷減速機專注行業蝸輪減速機、非標減速機定制生產供應,SJMFV系列減速機是我司在標準的蝸輪減速機設計之上改善設計的一款半圓形蝸輪減速機,主要用于輸送設備、鋰電池輸送設備、包裝設備等等。
  SJMFV030減速機常用數比型號:SJMFV030-5、SJMFV030-7.5SJMFV030-10、SJMFV030-50、SJMFV030-60、SJMFV030-80、SJMFV030-100,外殼采用的是鋁合金材質,安裝方式任意安裝都行。內部蝸輪采用的是耐磨的CuSn12Ni2錫青銅,使用中更耐用。

 艾思捷SJMFV030+0.09KW蝸輪減速機外形圖紙如下:

艾思捷蝸輪減速機SJMFV030+0.09KW安裝尺寸圖紙.png

艾思捷歡迎廣大客戶來電咨詢,

             

              艾思捷SJMFV030+0.09KW蝸輪減速機 - 定制熱線: 盛工 18116258006