歡迎來到艾思捷傳動技術(上海)有限公司官方網站!

艾思捷傳動技術(上海)有限公司

讓傳動更高效、更可靠專注12#錫青銅蝸輪減速機研發生產

技術熱線181-3611-8455
掃一掃加微信掃一掃加微信

技術資訊

您的當前位置:首頁 > 新聞資訊 > 技術資訊

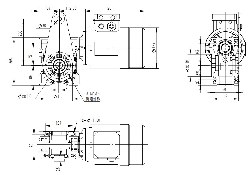
艾思捷SJMRV075-1.5KW帶扭力臂蝸輪減速機尺寸圖紙

返回列表 來源:艾思捷 查看手機網址
掃一掃!艾思捷SJMRV075-1.5KW帶扭力臂蝸輪減速機尺寸圖紙掃一掃!
瀏覽:- 發布日期:2023-11-17 14:04:30【
 隨著現在設備的要求,很多時候蝸輪減速機都要配合設備有不同的安裝方式,有的會帶上扭力臂安裝,那么帶扭力臂安裝的話有什么優點呢?是什么樣子呢?有沒有圖紙?

 帶扭力臂的蝸輪減速機具有以下優點:

增加支撐力:扭力臂的設計增加了蝸輪減速機的支撐力,使其能夠承受更大的負載和沖擊。

提高穩定性:由于支撐力的增加,蝸輪減速機的穩定性也相應提高,可以更好地適應各種工作環境。

增強剛性:扭力臂的設計增強了蝸輪減速機的剛性,使其在高速運轉時仍能保持穩定。

延長使用壽命:由于剛性和穩定性的提高,蝸輪減速機的使用壽命也相應延長。

簡化設計:對于某些需要使用蝸輪減速機作為傳動部件的設備來說,帶扭力臂的設計可以簡化整體設計,提高設備的可靠性。

總之,帶扭力臂的蝸輪減速機具有較好的支撐力、穩定性和剛性,能夠適應各種工作環境,延長設備使用壽命,同時簡化設計。
   例:SJMRV075-1.5KW帶扭力臂蝸輪減速機尺寸圖紙

艾思捷SJMRV075-1.5KW帶扭力臂蝸輪減速機.jpg

   蝸輪減速機在選用時有多種安裝方式,所以大家在選用時都可按照需求來選擇。如有選型困難癥,這邊技術可聯系我司:尹工13262846677 / 盛工:18116258006.