歡迎來到艾思捷傳動技術(上海)有限公司官方網站!

艾思捷傳動技術(上海)有限公司

讓傳動更高效、更可靠專注12#錫青銅蝸輪減速機研發生產

技術熱線181-3611-8455
掃一掃加微信掃一掃加微信

技術資訊

您的當前位置:首頁 > 新聞資訊 > 技術資訊

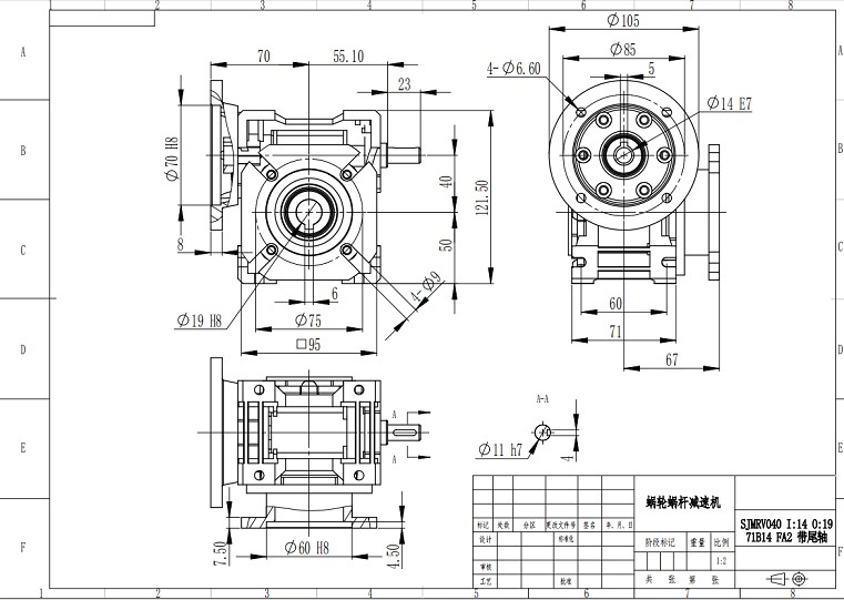
手搖減速機 SJMRV040 71B14 帶尾軸輸出 艾思捷供應

返回列表 來源:艾思捷 查看手機網址
掃一掃!手搖減速機 SJMRV040 71B14 帶尾軸輸出 艾思捷供應掃一掃!
瀏覽:- 發布日期:2024-12-21 05:38:10【

  減速機的運行離不開電機的驅動。但是有的時候想用手動自己操作,那么離開了電機的話怎么運行呢。那么就有一款手搖減速機可以用來手動操作達到自己設備想要的效果。那么在實際應用中,手搖減速機有什么優點呢?

   手搖減速機既然客戶會選擇,那么肯定會具有一些優點,那么具有哪些優點呢,小編幫大家整理了一下:

 1、 手搖減速機無需電力驅動:大大降低了運行成本,節能且適應性強,可以在沒有電源的環境中使用。

 2、 結構簡單:一般由箱體、軸、齒輪、蝸桿、軸承、端蓋等配件組成,維護起來很方便。

 3、扭矩輸出大:通過機械減速獲得較大的扭矩輸出,易于控制和操作各種手動機械。

 4、 適應性強:可以在重載、高震動、高溫等惡劣環境下工作,具有較好的適應性和穩定性。

 5、 操作靈活:可以根據實際需求來進行靈活操作,不受電力或其他外部條件的限制。

 6、 反向自鎖:具備反向自鎖功能,在停止操作時,能夠有效地保持靜止狀態,防止意外下滑,提高了設備的安全性和可靠性。

 7、 應用廣泛:不僅可用于一般的機械傳動,還可用于各種自動化設備、機器人、包裝機械、印刷機械等領域。

手搖減速機 SJMRV040 71B14 帶尾軸輸出 艾思捷供應.jpg

所以從技術角度來說,手搖減速機可以具備反向自鎖功能,在電機停止或手動停止操作時,能夠有效地保持靜止狀態,防止意外下滑,提高了設備的安全性和可靠性。

艾思捷歡迎廣大客戶來電咨詢,

             

              艾思捷手搖減速機 - 定制熱線: 盛工 18116258006