歡迎來到艾思捷傳動技術(上海)有限公司官方網站!

艾思捷傳動技術(上海)有限公司

讓傳動更高效、更可靠專注12#錫青銅蝸輪減速機研發生產

技術熱線181-3611-8455
掃一掃加微信掃一掃加微信

技術資訊

您的當前位置:首頁 > 新聞資訊 > 技術資訊

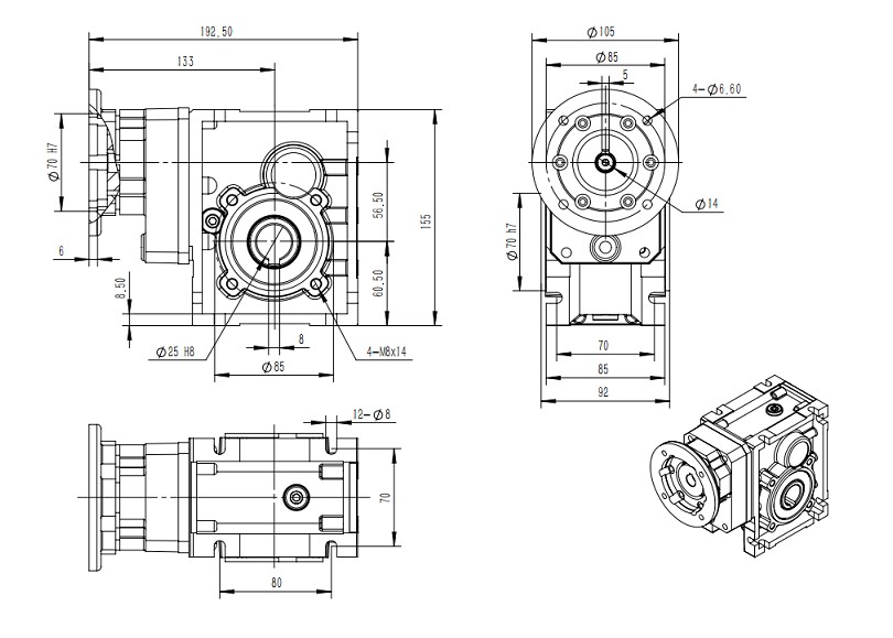
艾思捷雙曲面減速機KM502-30-70B14 I:14 O:25

返回列表 來源:艾思捷 查看手機網址
掃一掃!艾思捷雙曲面減速機KM502-30-70B14  I:14  O:25掃一掃!
瀏覽:- 發布日期:2024-10-29 06:24:20【

 雙曲面減速機是艾思捷最新生產的新一代實用性產品,很多客戶在使用過程中給予了好評,例如我們這客戶常用的KM502系列,應用在自動化設備中運行平穩。

 艾思捷雙曲面減速機KM502-30-70B14  I:14  O25安裝尺寸圖紙:

艾思捷準雙曲面減速機KM502系列尺寸圖紙.jpg

生產實物如下:

艾思捷準雙曲面減速機KM502系列的應用---卷揚機.jpg


那么艾思捷雙曲面減速機在實際應用中有什么特點呢?技術整理了一下,可查看。
1、雙曲面減速機傳動,傳動速比大;
2、準雙曲減速電機的運行過程中,齒輪嚙合平穩,不易產生異常負載,因此壽命長,故障率低。
3、優質鋁合金鑄造,重量輕,防銹性能高;
4SJKM系列準雙曲面減速機與NMRV系列蝸輪蝸桿減速機安裝尺寸完全兼容;
5、相對精度高:相對于其他傳動方式的電機,準雙曲減速電機在精度上有一定優勢,可實現更高的位置和轉角控制。


艾思捷歡迎廣大客戶來電咨詢,

             

             艾思捷雙曲面減速機KM502-30-70B14  I:14  O25 - 定制熱線: 盛工 18116258006