歡迎來到艾思捷傳動技術(上海)有限公司官方網站!

艾思捷傳動技術(上海)有限公司

讓傳動更高效、更可靠專注12#錫青銅蝸輪減速機研發生產

技術熱線181-3611-8455
掃一掃加微信掃一掃加微信

技術資訊

您的當前位置:首頁 > 新聞資訊 > 技術資訊

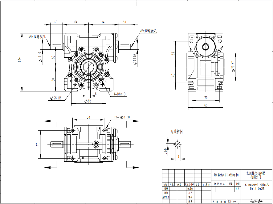
蝸輪蝸桿減速機SJMRV050雙軸輸入版圖紙

返回列表 來源:艾思捷 查看手機網址
掃一掃!蝸輪蝸桿減速機SJMRV050雙軸輸入版圖紙掃一掃!
瀏覽:- 發布日期:2023-03-20 10:30:29【

艾思捷蝸輪蝸桿減速機SJMRV050雙軸輸入版圖紙

艾思捷雙輸入蝸輪蝸桿減速機 (3).jpg

蝸輪蝸桿減速機SJMRV050雙軸輸入版.png