歡迎來到艾思捷傳動技術(上海)有限公司官方網站!

艾思捷傳動技術(上海)有限公司

讓傳動更高效、更可靠專注12#錫青銅蝸輪減速機研發生產

技術熱線181-3611-8455
掃一掃加微信掃一掃加微信

技術資訊

您的當前位置:首頁 > 新聞資訊 > 技術資訊

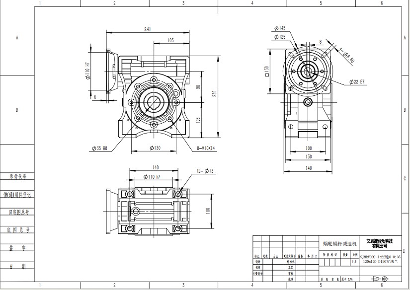
蝸輪減速機SJMRV090-130X130 D110 22孔鍵8尺寸圖紙

返回列表 來源:艾思捷 查看手機網址
掃一掃!蝸輪減速機SJMRV090-130X130 D110 22孔鍵8尺寸圖紙掃一掃!
瀏覽:- 發布日期:2024-07-03 00:46:31【

  蝸輪減速機作為一種精密的機械傳動裝置,在國民經濟及國防工業的各個領域,減速機產品都有這廣泛的應用。例如食品行業、包裝行業、自動化行業、傳輸行業、太陽能行業等等。蝸輪減速機也型號多樣可供選擇,具體實際情況具體選型。

例如以下,客戶用在包裝行業設備上的蝸輪減速機型號為SJMRV090。技術所出設計圖紙如下:

SJMRV090-130X130 D110 22孔鍵8.jpg

  艾思捷歡迎廣大客戶來電咨詢,蝸輪減速機支持非標定制,定制熱線:盛工 18116258006.