歡迎來到艾思捷傳動技術(上海)有限公司官方網站!

艾思捷傳動技術(上海)有限公司

讓傳動更高效、更可靠專注12#錫青銅蝸輪減速機研發生產

技術熱線181-3611-8455
掃一掃加微信掃一掃加微信

技術資訊

您的當前位置:首頁 > 新聞資訊 > 技術資訊

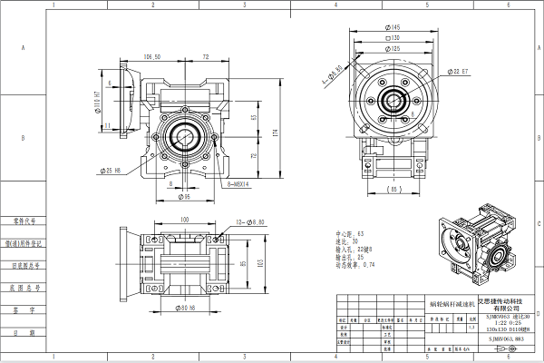
艾思捷長期供應MRV063蝸輪蝸桿減速機 效率高扭矩大

返回列表 來源:艾思捷 查看手機網址
掃一掃!艾思捷長期供應MRV063蝸輪蝸桿減速機 效率高扭矩大掃一掃!
瀏覽:- 發布日期:2022-09-26 10:19:32【

         蝸輪蝸桿減速機蝸桿傳動相稱于螺旋傳動,為多齒嚙合傳動,故傳動平穩、噪音很小。容許輸入的轉速范疇很低,減速的范疇很大。存在自鎖功能適合,用于晉升作業。

  蝸輪蝸桿減速機存在自鎖性。當蝸桿的導程角小于嚙合輪齒間確當量摩擦角時,機構存在自鎖性,可實現反向自鎖,即只能由蝸桿帶動蝸輪,而不能由蝸輪帶動蝸桿。如在起重機械中利用的自鎖蝸桿機構,其反向自鎖性可起維護作用。    
 
艾思捷長期供應MRV063蝸輪蝸桿減速機,效率高扭矩大。

艾思捷長期供應MRV063蝸輪蝸桿減速機 效率高扭矩大.png

MRV063蝸輪蝸桿減速機 .jpg




  NMRV063蝸輪蝸桿減速機廣泛應用于冶金礦山、石油化工、建材機械、港口船舶、紡織印染、食品包裝、環保、造紙印刷、起重輸送、物流裝卸輕重工業機械傳動領域這款減速電機優點是簡化設計、節省空間。

   

關于上海艾思捷

  艾思捷傳動技術(上海)有限公司是一家專業的傳動設備生產商,廠家擁有專業的技術團隊,精心致力于高質量的減速機生產和技術開發。主要為設備提供傳動產品以及技術解決方案,上海艾思捷隸屬于意大利SSJ Group的成員公司,意大利SSJ Group在減速機的設計、生產制造和銷售有20多年的豐富經驗,服務的客戶覆蓋歐洲、美洲、非洲、亞洲等,獲得市場的一致好評。
艾思捷目前主要的產品有SJMRV系列蝸輪減速機、SJGV系列齒輪減速機、SJRT系列太陽能減速機、SJXV系列行星減速機以及洗車機減速機、制冰機減速機、小側隙減速機等行業減速機,產品被廣泛應用于裝備行業、食品行業、洗車行業、包裝行業、傳輸行業、自動化行業、太陽能行業等等,產品深受客戶的歡迎與信賴!

  作為專業生產減速機設備的廠家,可提供設備全套解決方案,有任何技術咨詢問題均可聯系我司技術:陳工 13262846677.