歡迎來到艾思捷傳動技術(上海)有限公司官方網站!

艾思捷傳動技術(上海)有限公司

讓傳動更高效、更可靠專注12#錫青銅蝸輪減速機研發生產

技術熱線181-3611-8455
掃一掃加微信掃一掃加微信

技術資訊

您的當前位置:首頁 > 新聞資訊 > 技術資訊

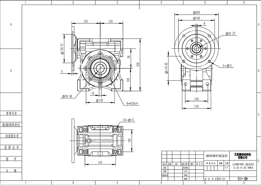
蝸輪減速機RV090-50-90B5法蘭輸入安裝尺寸圖紙

返回列表 來源:艾思捷 查看手機網址
掃一掃!蝸輪減速機RV090-50-90B5法蘭輸入安裝尺寸圖紙掃一掃!
瀏覽:- 發布日期:2024-07-20 01:15:42【

 艾思捷減速機專注行業蝸輪減速機、非標減速機定制生產供應,RV090減速機常用數比型號:RV090-5、RV090-7.5、RV090-10SJMRV040-50、RV090-60、RV090-80、RV090-100,外殼采用的是鋁合金材質,安裝方式任意安裝都行。內部蝸輪采用的是耐磨的CuSn12Ni2錫青銅,使用中更耐用。

艾思捷RV090-50-90B5法蘭輸入蝸輪減速機外形圖紙如下:

蝸輪減速機RV090-50-90B5法蘭輸入安裝尺寸圖紙.jpg

  艾思捷歡迎廣大客戶來電咨詢,蝸輪減速機支持非標定制,定制熱線:盛工 18116258006.