歡迎來到艾思捷傳動技術(上海)有限公司官方網站!

艾思捷傳動技術(上海)有限公司

讓傳動更高效、更可靠專注12#錫青銅蝸輪減速機研發生產

技術熱線181-3611-8455
掃一掃加微信掃一掃加微信

RV105減速機

您的當前位置:首頁 > 艾思捷產品中心 > RV減速機 > RV105減速機

  • RV105蝸輪減速機
1/1

上一張

下一張

RV105蝸輪減速機

介紹:功率:0.06-0.25 Kw
速比:5-80
輸出轉數:11-560 r/min
輸出扭矩:1.8-30 Nm
輸出軸徑向力:474-1504N
咨詢熱線 咨詢熱線181-3611-8455

產品介紹

MRV系列:產品規格025-110,傳動比單級7.5-100;雙極300-5000;輸入功率006-15KW,輸出扭矩7-2680N.M。共22000余種不同的規格,傳動比,聯接合安裝方式可供選用,滿足用戶各種需求。

RV030蝸輪減速機

性能特點

安裝簡易、靈活輕捷、性能優越、易于維護檢修

傳動速比大、扭矩大、承受過載能力高

運行平穩、噪音小、經久耐用

適用性強、安全可靠性大

熱交換性能好,散熱快

機械結構緊湊、體積輕巧、小型高效

選型參數

RV減速機.jpg

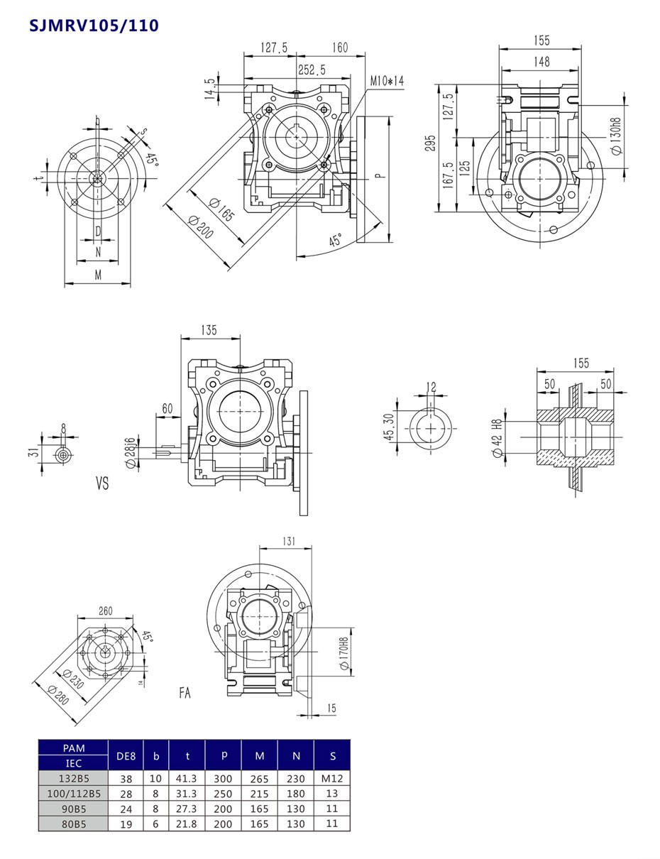
產品圖紙

RV減速機1.jpg

【本文標簽】:RV030蝸輪減速機 艾思捷

我要定制:RV105蝸輪減速機

  • *聯系人:
  • *手機:
  • 公司名稱:
  • 郵箱:
  • 電話:
  • 地址:
  • 需求備注:
  • *驗證碼:驗證碼

相關產品相關產品 / Relevant product

RV105蝸輪減速機

RV105蝸輪減速機

功率:0.06-0.25 Kw
速比:5-80
輸出轉數:11-560 r/min
輸出扭矩:1.8-30 Nm
輸出軸徑...

  查看詳情