歡迎來到艾思捷傳動技術(上海)有限公司官方網站!

艾思捷傳動技術(上海)有限公司

讓傳動更高效、更可靠專注12#錫青銅蝸輪減速機研發生產

技術熱線181-3611-8455
掃一掃加微信掃一掃加微信

新聞資訊

您的當前位置:首頁 > 新聞資訊

服務熱線:181-3611-8455

艾思捷技術揭秘:造成蝸輪減速機振動過大的原因是什么?

艾思捷技術揭秘:造成蝸輪減速機振動過大的原因是什么?

蝸輪減速機我們常用傳動設備,在使用過程中可能會出現各種各樣的一些問題。例如振動過大、漏油、安裝有問題等等。那么舉例來說造成蝸輪減速機振動過大會是什么原因呢?2024.07.10

[ 查看詳情 」
80
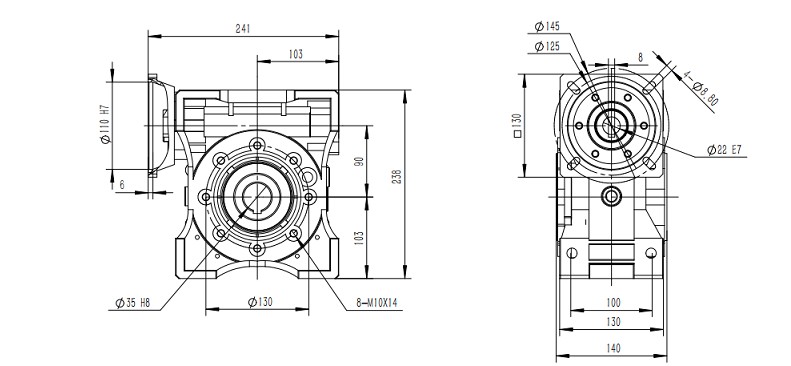
蝸輪減速機SJMRV090-130X130 D110 22孔鍵8尺寸圖紙

蝸輪減速機SJMRV090-130X130 D110 22孔鍵8尺寸圖紙

蝸輪減速機作為一種精密的機械傳動裝置,在國民經濟及國防工業的各個領域,減速機產品都有這廣泛的應用。例如食品行業、包裝行業、自動化行業、傳輸行業、太陽能行業等等。蝸輪減速機也型號多樣可供選擇,具體實際情...2024.07.03

[ 查看詳情 」
93
單面法蘭出軸蝸輪減速機 SJMRV040-50-D50方法蘭單向輸出軸

單面法蘭出軸蝸輪減速機 SJMRV040-50-D50方法蘭單向輸出軸

蝸輪減速機輸出方式多樣化,輸出型形式分為:孔輸出、單向軸輸出、雙向軸輸出??砂磳嶋H要求采用多種安裝形式,多個面均可按照.例如以下為單面法蘭出軸蝸輪減速機。2024.06.29

[ 查看詳情 」
90
艾思捷技術教您怎樣正確安裝RV蝸輪減速機?

艾思捷技術教您怎樣正確安裝RV蝸輪減速機?

RV蝸輪減速機作為驅動裝置很多機械設備上會使用。但是很多在安裝、使用的時候不規范,導致減速機的輸出軸斷裂,帶來損失,所以一開始的正確安裝是保證減速機正常運行的重要環節。今天艾思捷技術教您怎么樣正確安裝RV...2024.06.27

[ 查看詳情 」
95
為何你會想要選蝸輪減速機作為驅動設備?

為何你會想要選蝸輪減速機作為驅動設備?

蝸輪減速機不僅在機械設備行業應用廣泛,在自動化應用中同樣有著重要作用。例如自動洗車設備、制冰設備、物流裝卸設備、舞臺升降設備、食品包裝設備等。蝸輪減速機作為一款驅動設備,很多技術都喜歡選擇。那么在機械...2024.06.21

[ 查看詳情 」
77
首頁 上一頁 <... 7 8 9 10 11 12 13 14 15 16 ...> 下一頁 尾頁