歡迎來到艾思捷傳動技術(上海)有限公司官方網站!

艾思捷傳動技術(上海)有限公司

讓傳動更高效、更可靠專注12#錫青銅蝸輪減速機研發生產

技術熱線181-3611-8455
掃一掃加微信掃一掃加微信

技術資訊

您的當前位置:首頁 > 新聞資訊 > 技術資訊

服務熱線:181-3611-8455

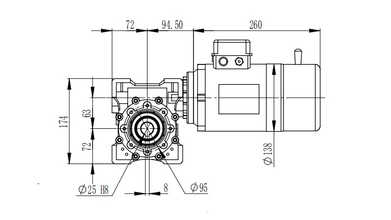
艾思捷蝸輪蝸桿減速機帶剎車電機一體 SJMRV063-80-Y0.37KW-4P

艾思捷蝸輪蝸桿減速機帶剎車電機一體 SJMRV063-80-Y0.37KW-4P

艾思捷蝸輪蝸桿減速機帶剎車電機一體 SJMRV063-80-Y0.37KW-4P2024.03.29

[ 查看詳情 」
96
艾思捷款FV030小型直角減速機、蝸輪蝸桿減速機

艾思捷款FV030小型直角減速機、蝸輪蝸桿減速機

你是不是在找一款比較小巧好安裝的減速機?你是不是設備空間要求比較高?你是不是需要軸輸出的減速機?那么艾思捷這款FV030小型蝸輪蝸桿減速機應該可以滿足你的要求。2024.03.15

[ 查看詳情 」
93
意大利艾思捷帶您了解伺服直角減速機/伺服蝸輪蝸桿減速機/伺服減速機

意大利艾思捷帶您了解伺服直角減速機/伺服蝸輪蝸桿減速機/伺服減速機

蝸輪蝸桿減速機是我們目前機械設備上常配套使用的一款傳動動力設備??梢园凑赵O備需求搭配不同的電機來運行使用。例如可以配套伺服電機使用,那么蝸輪減速機配伺服電機使用的話有什么特點與好處呢?艾思捷技術帶您了...2024.03.14

[ 查看詳情 」
95
MRV063蝸輪減速機 方法蘭輸入圖紙

MRV063蝸輪減速機 方法蘭輸入圖紙

艾思捷MRV063蝸輪減速機 方法蘭輸入尺寸圖紙:2024.03.04

[ 查看詳情 」
77
艾思捷帶您圖文并茂的了解一下蝸輪蝸桿減速機結構分解

艾思捷帶您圖文并茂的了解一下蝸輪蝸桿減速機結構分解

蝸輪蝸桿減速機的主要結構包括傳動零件蝸輪蝸桿、軸、軸承、箱體及其附件。艾思捷帶您圖文并茂的了解一下蝸輪蝸桿減速機結構分解。2024.02.27

[ 查看詳情 」
94
首頁 上一頁 <... 2 3 4 5 6 7 8 9 10 11 ...> 下一頁 尾頁