歡迎來到艾思捷傳動技術(上海)有限公司官方網站!

艾思捷傳動技術(上海)有限公司

讓傳動更高效、更可靠專注12#錫青銅蝸輪減速機研發生產

技術熱線181-3611-8455
掃一掃加微信掃一掃加微信

技術資訊

您的當前位置:首頁 > 新聞資訊 > 技術資訊

服務熱線:181-3611-8455

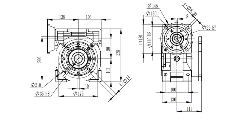
艾思捷SJMRV090-80比蝸輪減速機安裝尺寸圖紙

艾思捷SJMRV090-80比蝸輪減速機安裝尺寸圖紙

艾思捷SJMRV090-80比蝸輪減速機安裝尺寸圖紙2024.05.23

[ 查看詳情 」
89
艾思捷蝸輪減速機國際版選型樣本

艾思捷蝸輪減速機國際版選型樣本

艾思捷蝸輪減速機國際版選型樣本2024.05.18

[ 查看詳情 」
92
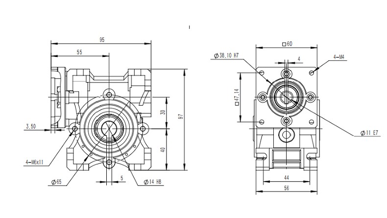
艾思捷SJMRV040-10蝸輪蝸桿減速機安裝尺寸圖紙

艾思捷SJMRV040-10蝸輪蝸桿減速機安裝尺寸圖紙

艾思捷SJMRV040-10蝸輪蝸桿減速機外形圖2024.05.09

[ 查看詳情 」
85
艾思捷款雙曲面直角減速機SJKM050-66.67-Y0.37KW-4P-MC

艾思捷款雙曲面直角減速機SJKM050-66.67-Y0.37KW-4P-MC

艾思捷款雙曲面直角減速機SJKM050-66.67-Y0.37KW-4P-MC2024.04.25

[ 查看詳情 」
92
艾思捷SJMRV030速比10蝸輪減速機安裝尺寸圖紙

艾思捷SJMRV030速比10蝸輪減速機安裝尺寸圖紙

艾思捷SJMRV030速比10 57*57 D38安裝尺寸圖紙2024.04.03

[ 查看詳情 」
92
首頁 上一頁 1 2 3 4 5 6 7 8 9 10 ...> 下一頁 尾頁