歡迎來到艾思捷傳動技術(上海)有限公司官方網站!

艾思捷傳動技術(上海)有限公司

讓傳動更高效、更可靠專注12#錫青銅蝸輪減速機研發生產

技術熱線181-3611-8455
掃一掃加微信掃一掃加微信

技術資訊

您的當前位置:首頁 > 新聞資訊 > 技術資訊

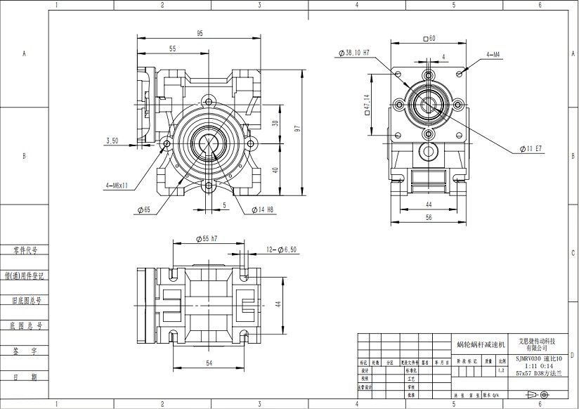
艾思捷SJMRV030速比10蝸輪減速機安裝尺寸圖紙

返回列表 來源:艾思捷 查看手機網址
掃一掃!艾思捷SJMRV030速比10蝸輪減速機安裝尺寸圖紙掃一掃!
瀏覽:- 發布日期:2024-04-03 17:33:28【

  蝸輪蝸桿減速機型號多樣化可供選擇,輸出方式可按照設備要求來選擇。

 艾思捷SJMRV030速比10 57*57 D38安裝尺寸圖紙;


SJMRV030速比10尺寸圖紙 .jpg

 思捷蝸輪蝸桿減速機,SJMRV030速比10的安裝尺寸圖紙。艾思捷專注蝸輪蝸桿減速機定制,蝸輪蝸桿減速機輸出形式多樣、型號多樣,有需要可以聯系:盛工 18116258006、 尹女士13262846677.