歡迎來到艾思捷傳動技術(上海)有限公司官方網站!

艾思捷傳動技術(上海)有限公司

讓傳動更高效、更可靠專注12#錫青銅蝸輪減速機研發生產

技術熱線181-3611-8455
掃一掃加微信掃一掃加微信

技術資訊

您的當前位置:首頁 > 新聞資訊 > 技術資訊

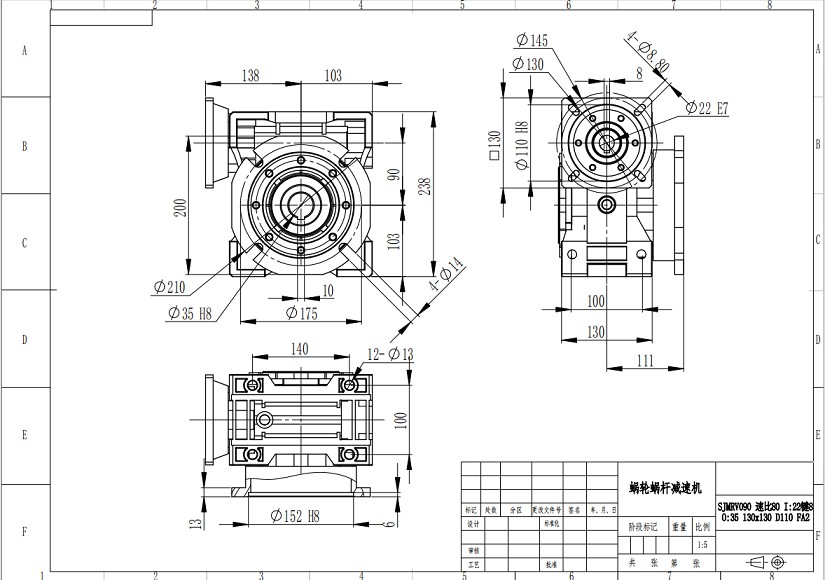
艾思捷SJMRV090-80比蝸輪減速機安裝尺寸圖紙

返回列表 來源:艾思捷 查看手機網址
掃一掃!艾思捷SJMRV090-80比蝸輪減速機安裝尺寸圖紙掃一掃!
瀏覽:- 發布日期:2024-05-23 00:55:13【

 艾思捷減速機專注行業蝸輪減速機非標減速機定制生產供應,SJMRV090減速機常用數比型號:SJMRV090-5、SJMRV090-7.5、SJMRV090-10、SJMRV090-50、SJMRV090-60、SJMRV090-80、SJMRV090-100,外殼采用的是鋁合金材質,安裝方式任意安裝都行。內部蝸輪采用的是耐磨的CuSn12Ni2錫青銅,使用中更耐用。

艾思捷SJMRV090-80比蝸輪減速機外形圖如下:

SJMRV090 -80比.jpg

  艾思捷各種零配件從選材那一刻起,產品已分高下。從每一種原材料的進廠檢驗,到每一個生產環節的質量控制,都是為了把蝸輪蝸桿減速機產品質量滿意度從99%提高到99.99%;歡迎廣大客戶來人、來電、來函或到我廠進行現場考察,我公司將熱情接待,為客戶提供一切方便,及時解決客戶提出的一切問題;廠家咨詢電話: 盛經理 18116258006   尹經理 13262846677。