歡迎來到艾思捷傳動技術(上海)有限公司官方網站!

艾思捷傳動技術(上海)有限公司

讓傳動更高效、更可靠專注12#錫青銅蝸輪減速機研發生產

技術熱線181-3611-8455
掃一掃加微信掃一掃加微信

技術資訊

您的當前位置:首頁 > 新聞資訊 > 技術資訊

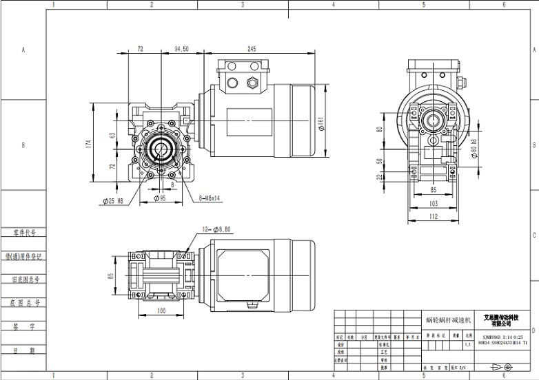
艾思捷SJMRV063+0.75KW蝸輪減速機尺寸圖紙

返回列表 來源:艾思捷 查看手機網址
掃一掃!艾思捷SJMRV063+0.75KW蝸輪減速機尺寸圖紙掃一掃!
瀏覽:- 發布日期:2024-01-15 11:07:11【

  艾思捷廠家生產供應標準蝸輪減速機以及非標定制減速機等,標準063蝸輪減速機常用型號: SJMRVSJMRV063+0.25KW/ SJMRVSJMRV063+0.55KW/ SJMRVSJMRV063+0.75KW/ SJMRVSJMRV063+1.1KW/ SJMRVSJMRV063+1.5KW/ SJMRVSJMRV063+02.2KW、輸出軸徑為14mm、19mm、24mm。具體看自身設備的選型情況。

  例如以下:艾思捷SJMRV063+0.75KW蝸輪減速機尺寸圖紙

SJMRV063+0.75kw.jpg

 艾思捷我們有專業的技術設計團隊,可以從你的設備要求出發,提供全套的技術解決方案,生產工廠在浙江德清,歡迎進行廠區考察,也歡迎大家去進行技術交流。咨詢電話:盛經理 18116258006.   尹經理 13262846677。