歡迎來到艾思捷傳動技術(上海)有限公司官方網站!

艾思捷傳動技術(上海)有限公司

讓傳動更高效、更可靠專注12#錫青銅蝸輪減速機研發生產

技術熱線181-3611-8455
掃一掃加微信掃一掃加微信

技術資訊

您的當前位置:首頁 > 新聞資訊 > 技術資訊

圖文并茂讓您快速了解蝸輪蝸桿減速機之SJMRV040型號

返回列表 來源:艾思捷 查看手機網址
掃一掃!圖文并茂讓您快速了解蝸輪蝸桿減速機之SJMRV040型號掃一掃!
瀏覽:- 發布日期:2022-12-22 09:01:16【

        圖文并茂讓您快速了解蝸輪蝸桿減速機---SJMRV040

SJMRV040蝸輪蝸桿減速機實物圖.jpg

 

  蝸輪蝸桿減速機---SJMRV040型號特點:

1、優質鋁合金鑄造箱體,適應全方位的安裝配置;

2、充分的冷卻筋條,使機體具有優良的熱傳導性能;

3、精密磨削加工的硬齒面傳動蝸桿,效率高、輸出扭矩大;

4、重量輕,機械強度高;

  SJMRV040型號蝸輪蝸桿減速機特點:

減速型號:SJMRV040、SJRV040、SJNRV040

減速機輸入功率范圍:0.06KW~0.55KW

減速機速比:5、7.5、10、15、2025、30、40、50、60、80100

減速機輸出扭矩范圍:8NM~53NM


 
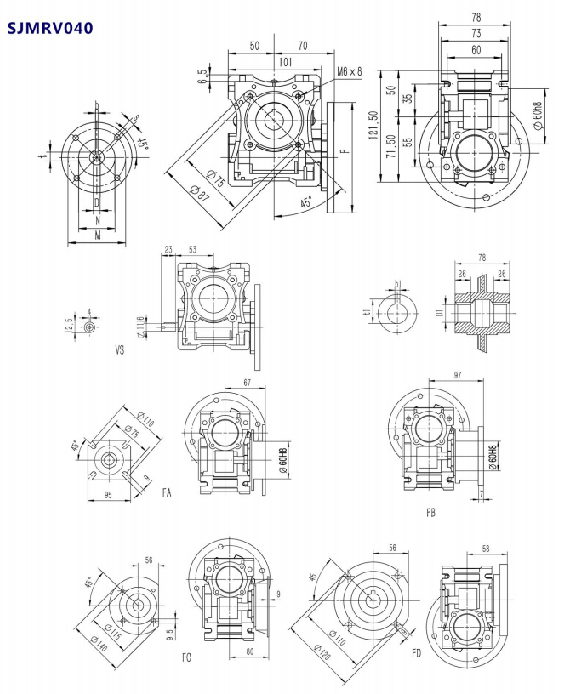
  SJMRV040型號蝸輪蝸桿減速機產品安裝尺寸:

SJMRV040型號蝸輪蝸桿減速機產品安裝尺寸.png

     SJMRV040型號蝸輪蝸桿減速機主要應用行業:

  廣泛應用于裝備行業、食品行業、自動洗車行業、包裝行業、傳輸行業、自動化行業、太陽能行業等等。產品深受客戶的歡迎與信賴。

重點:艾思捷專注定制行業生產,針對產品的實際工況,出項目解決方案,選型合適的減速機,提高使用效率。詳情咨詢了解請聯系我司專業

客戶經理:尹女士
 132 6284 6677.